MEMS CHEMORESISTIVE / CALORIMETRIC SENSORS FOR CO2 AND CH4 DETECTION

Package case of sensor for individual gas detection
CHARACTERISTICS
~ The MEMS sensors foe CO2(carbon dioxide) and CH4 (methan) have the operating principle based on the change in conductivity due to chemisorbtion a/o calorimetric effects of gas molecules to be detected at the sensitive layer surface.
~ The integrated heating element consists of a polysilicon layer underneath the active area. A temperature sensitive resistor will enable precisely temperature control. The sensor is integrated as MEMS in CMOS technology compatible by adding special micromachining processes.
~ Different polymeric films sensitivity gases to be analyzed ,exhibit changes of conductance in presence of small gases concentration at ppm level.
~ The sensitivity and stability of MEMS sensors are corresponding for applications during the measurement at room temperature of polluted air .or air noxes detection.
~In some cases a temperature of up to 300° could be applied for cleaning the sensitive polymer in order to reuse the sensor
~ The product design by using CONVENTOR with the microprocessing technologies summarized specifically for each type as below:
Calorimetric sensor for combustible gas detection CH4 has working between 300-500°C consists of:
~ Integrated heater (patterned layer) on the ceramic Si3N4 membrane suspended on four bridges;
~ Dielectric (SiO2 or ceramic) deposited hot plate/electric isolation between heater and sensing electrode.
~ Al²O³ sol gel deposited
~ Temperature platinum sensor, interdigitated electrode
* Chemoresistive sensor for CO2:
~ Integrated heater (patterned layer), SiO2 dielectric
~ Sensing electrode interdigitated capacitor Ti/Pt or Ti/W/Au
~ Gas sensitive layer SnO2, when heated react with gas molecule changes the resistance of interdigitated capacitor
~ The resulting heat is detected as an imbalance of the bridge in which the sensor is connected
Packaging case for MEMS sensors integrated chips
ADVANTAGES
~ Increased reproductibility
~ High MEMS sensors miniaturization degree
~ Microsystem integration in package (sensors, electrodes)
~ Low power consumtion, portable devices approaches
~ High working versatility as integrated or individual packaged sensors
~ Very low weight ~3g
Gas sensor layout
APPLICATIONS
~ Environment protection and monitoring
~ Medical and health care applications
~ Industrial facilities and utilities networks and production plants
~ Chemical and biochemical technological processing
~ Safety and defence industry and applications
~ Residential and household appliances
TECHNICAL FEATURES
Electric characteristics at +25ºC

BONDPADS IDENTIFICATION, CODES AND ASSIGNEMENT
MEASUREMENT DATES
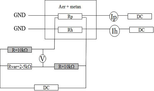
Exemple of measurement dates for sensor sensitivity working as micropelistor for methan detection
OUTLET SENSITIVITY CONTROL DIAGRAMME





